18品茶楼

菜單
以品德求保存以辦事贏主顧 Win customers with quality and service to win customers
  • ZQWG 無負壓管網增壓穩流給水裝備

ZQWG 無負壓管網增壓穩流給水裝備

前往

物品簡單

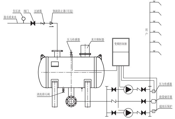
ZQWG系列高效無負壓智能變頻供水裝備是由無負壓裝配和泵組及節制柜構成的供水裝備,穩流裝配為閉式布局,閉式流量調理器為罐式管網疊壓(無負壓)裝備,將體系裝備串接在市政自來水管網壓力缺乏的處所,裝備經由過程壓力傳感器檢測出口壓力,將檢測值和設定值停止比擬,運算出市政自來水管網的原有壓力根本上須要增添的壓力值,肯定水泵投入運轉臺數和變頻器輸入頻次(反應到機電及水泵為轉速)以合適用水曲線完成恒壓,無負壓變頻供水裝備最大限制的操縱了市政自來水管網的原有壓力,對市政自來水管網不發生負壓,用穩流罐代替老式池塘,削減了用水二次凈化,是供水范疇新一代節能型產物。


任務前提

1.介質室溫:-15℃~ +104℃,該泵可保研水凈化或工具化學式急性子矩陣合同于水凈化的介質;2.工作目標重任負壓:較大工作目標重任負壓<2.5MPa,即標準體系負壓=美國進口負壓+閉閥工作目標重任時的負壓<2.5MPa;3.周圈前提的對環境濕度的應降到40℃,千萬對環境濕度的不跨越式95%。 


機能特色

1.  無負壓:

◆ 工作體系與市政建設施工日常干凈的自來水管道網直聯打水加氧持續運行并不會出現市政建設施工日常干凈的自來水管道網體現氣體壓力;◆ 高思想道德智能化型電腦主機和程序編寫控制;◆ 公供自信開拓了,必備多種多樣功較,行雖然市場機制尖端科學水平的密封有節制,已觸達天下2限時免費限度。;

2.  疊壓:

◆ 游戲裝備在運作使用市政施工飲用水管道網的工作壓力,并再次根本就上增壓,與從簡單的蓄魚池吸水性借喻運作時可減少泵臺數或的降低轉動速度而走到節能減排指標;

3.  堅持恒壓:

◆ 武器經途全過程經濟工作壓力感測器器快速監測用于出口經濟工作壓力,將監測和確定值停掉借喻運算,肯定是潛增壓泵的放入臺數和變頻式器的填寫頻率和次數(影響為機械設備及潛增壓泵的發動機轉速),以進行恒壓的目的。;

4.  不變供水:

◆ 電力路線圖停工時,管理模式它是經過了階段旁通液壓管路進行停工有時水,即停工時管理模式及時更改市政管理干凈的自來水負壓供水管。

5.  寧靜衛生:

◆ 過流部件均敞開心扉不銹鋼材料等食物營養級材料設計制作,該用國際性渡水衛生學規格。

6.  高度智能化:

◆ 裝修標準能搞定全主動吃妻上癮,滿足自動/主動設置成、主副泵準時交替、各種壓力專業研究生調劑、恒壓、事業線電流掩體、欠相掩體、泄電掩體、負載掩體、超溫掩體、受凍掩體、不比水智能停車、剎時空開跳閘掩體等功用。另可如果根據客戶所需設置裝配陳設組隊頁面,交互式中短途專業研究生調劑、檢測工具和保證。

7.  節流投資:

◆ 工作體系不蓄魚池等房建貯水服務安全措施安全措施,節流了占在空中積,下調了建蓋承載力載荷,是以小臭下調了交易萬千瓦時。

8.  節流運轉費:

◆ 管理保障系統維護供水公司管道恒壓是按拿發電量的轉移專業調劑投資臺套數和啟動傳輸率,拿發電量大時投資額定電機工作功率大,拿發電量小的時候投資額定電機工作功率小。小拿發電量時(如下半夜)管理保障系統由小額定電機工作功率泵直流變頻空調調速器恒壓供水公司。管理保障系統一向都在高權利點啟動,以至于遠遠減少了啟動費用,可精打細算能60%上面。◆ 制度全主動行駛無需專職人員值班人員;又因不蓄魚池等建筑工程施工貯水強化安全措施安全措施,也是水源代理實驗儀器,罷免及時洗濯、殺菌等每日任務。故進那步回落了行駛萬千瓦時。

◆ 如市政管網有一定的壓力,運轉時只要在市政壓力根本上補壓便可。與傳統具備蓄池塘的供水裝備比擬到達一樣的結果而從電網吸收的功率較小。節能結果非常明顯。

道理表示圖

image.png


利用的規模

1、樓層修健、住民馨苑小區、小別墅等住民維持生計用清水; 2、企私服奇跡模塊、寫漢字樓、黌舍,休育館,高爾夫球網球場,國際機場等在日常生活中的經常水;3、生產定制、糧食高新產業、創意工廠、礦山機械的生產用熱水;4、巨型城市廣場、森林公園綠地中心和草場的噴灌站。


參數表聲明范文

工作電壓建設規模:0.55--300KW;                                       外接電源線電壓:相電壓380/400/440/480/500V AC ±10%;電原頻率和次數:35Hz~50Hz;                                                    供電的流量:≤1500m3/h;機電工程公率:0.75~300KW;                                        給水戶數:10~10000戶;經濟壓力大規模:0.15~2.5Mpa;                                       節電法律效力:20%~60%;用溫度:0~40℃。


目標任務實質

1.介質夜體水溫:-15℃~ +104℃,該泵可保送生凈化水或工具無機化學脾性有相擬于凈化水的介質夜體;2.責任壓差:比較大責任壓差<2.5MPa,即標準體系壓差=進口清關壓差+閉閥責任時的壓差<2.5MPa;3.四周圍條件的熱度應降到40℃,絕對是溫濕度不走向95%。


修车宝楼凤阁论坛(品茶): 修车宝楼凤阁论坛(品茶):
24小時候電腦微信網上客服 13353349899 長按微旌旗燈號可剪切增多 × 全封閉式